bt刀柄標準錐度規格尺寸
日期:2017-12-16
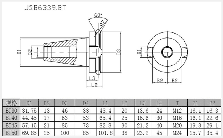
bt表示采用日本標準MAS403制造的加工中心機床用錐柄柄部(帶機械手夾持槽);7:24 錐度的通用刀柄。ST表示按GB3837制造的數控機床機床用錐柄柄部(無機械手夾持槽)。錐度為7:24 的通用刀柄通常有五種標準和規格,即NT(傳統型)、DIN 69871(德國標準)、IS07388/1(國際標準)、MAS BT(日本標準)以及ANSI/ASME(美國標準)。

NT 型刀柄德國標準為DIN 2080,是在傳統型機床上通過拉桿將刀柄拉緊,國內也稱為ST;其它四種刀柄均是在加工中心上通過刀柄尾部的拉釘將刀柄拉緊。
MAS BT 型 (簡稱 BT)BT 型是日本標準,安裝尺寸與 DIN 69871、IS0 7388/1 及ANSI 完全不同,不能換用。 BT型刀柄的對稱性結構使它比其它三種刀柄的高速穩定性要好。
MAS BT 型 (簡稱 BT)BT 型是日本標準,安裝尺寸與 DIN 69871、IS0 7388/1 及ANSI 完全不同,不能換用。 BT型刀柄的對稱性結構使它比其它三種刀柄的高速穩定性要好。
![]() 數控刀柄型號尺寸大全下載 |
![]() 數控刀柄標準詳細圖解 |

?
當前位置:


